RX 8 231 2004
Bonjour,
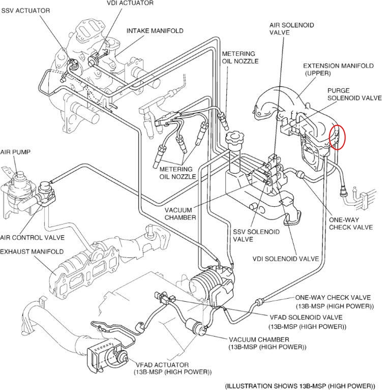
j'ai remonté le VFAD sur ma 8. Mais, j'aimerais savoir si j'ai bien fait tous les branchements nécessaires (et le reste ??) car je ne sais pas si il se déclenche bien à 6000/7000 tours comme il doit le faire, je ne suis pas sous le capot à ce moment là, je joue plutôt à l'âne derrière mon volant ^^.
Aussi, je vous demande si vous pouvez m'orienter ou poster un lien sur le montage d'origine du système d'admission qui me permettra de tout régler au poil si ce n'est pas déjà fait !
Je vous demande à tous comment fonctionne cette fameuse ouverture du VFAD, est-ce mécanique ou électronique ? Si c'est électronique, je n'ai vu aucune cosse à brancher etc...
Merci pour votre précieuse aide ![]()
![]()
