
Regulateur de vitesse!! enfin (forum allemand)
- rotaryengine
- Modérateur
- Messages : 5317
- Inscription : 24 août 2004, 16:30 PM
- Localisation : Luxembourg
- Contact :
Hello,
I have bad news! We tested the new Software revision 37.3 (new calibration data) and found out, that the cruise control function is deactivated with this version! So, if available for you, do not upgrade to this version. 37.0 is o.k.
best regards
Anze
[b][color=crimson]01.12.03, rot, imola, 236PS, DVD-Navi, sonst noch rot: beleuchteter Schaltknauf, Bremsgriff, Ablagedeckel, Bremssättel; AHK, Sinn #84, Rotary-Symbol poliert, breiteres Lächeln, AV Prestige +, CTD-Auspuff, Tempomat[/color][/b]
- rotaryengine
- Modérateur
- Messages : 5317
- Inscription : 24 août 2004, 16:30 PM
- Localisation : Luxembourg
- Contact :
Anze a écrit :Hello,
I have bad news! We tested the new Software revision 37.3 (new calibration data) and found out, that the cruise control function is deactivated with this version! So, if available for you, do not upgrade to this version. 37.0 is o.k.
best regards
Anze
Danke Anze ![]()
Und ich wollte schon nächste Woche den Update machen
Vielen Dank nochmal ![]()
mon site perso: www.rotaryengine.lu [img]http://yelims2.free.fr/Drapeaux/Drapeau43.gif[/img]
mon nouveau taff: www.pcrl.lu
AIRX-8 en colère!!!
ILS COMMENCENT A FAIRE
CHEZ MAZDA! Déjà, vendre une voiture de cette gamme sans régulateur de vitesse, c'est absolument honteux. Mais nous supprimer en plus toute possibilité d'activer la fonction, là c'est carrément du foutage de gueule. Je propose, si ça se confirme, d'inonder, par le réseau des forum rx-8 Européens, les boîtes postales et mail de mazda Europe pour que cette attitude de non-respect des meilleurs clients de mazda cesse tout de suite.
Dernière modification par AIRX-8 le 09 mai 2005, 12:50 PM, modifié 1 fois.
RX-8 231cv + GPS + Régulateur de vitesse
Et aussi sur [url]http://www.quelle-voiture-choisir.fr/[/url]
- RenesisMsa
- Messages : 1178
- Inscription : 26 juil. 2004, 08:40 AM
- Localisation : Belgique - Tournai
Anze a écrit :Hello,
I have bad news! We tested the new Software revision 37.3 (new calibration data) and found out, that the cruise control function is deactivated with this version! So, if available for you, do not upgrade to this version. 37.0 is o.k.
best regards
Anze
C'est pas possible !
Alors là c'est vraiment trop nul de la part de mazda.
![]()
Et il fait quoi exactement ce nouvel update ?
Il s'agit d'un rappel ? ou d'un update qui sera fait lors d'un entretien ?
FRS
(Ex-RX7 FD Noir - 241 CV -> 10/2007 a 02/2009 )
(Ex-RX8 Velocity Red - 231 CV -> 01/2004 a 10/2007)
BMW 320D Coupé
[img]http://yelims.free.fr/VroumVroum/VroumVroum02.gif[/img]
- raspoutine
- Modérateur
- Messages : 11578
- Inscription : 23 juil. 2004, 18:59 PM
- Localisation : Belgique
ca veut donc dire que des la prochaine revision plus de cruise
![]()
font ch.... MAZDA
![]()
[b][color=blue]si pour vous une voiture sert pour aller d'un point A à un point B, vous n'avez jamais conduis de RX8[/color][/b]
Expert en tout et en rien surtout en rien, si vous avez besoin de rien appellé moi :)
[color=violet]IKTP forever[/color]
- raspoutine
- Modérateur
- Messages : 11578
- Inscription : 23 juil. 2004, 18:59 PM
- Localisation : Belgique
- chevaliernoir
- Messages : 501
- Inscription : 24 août 2012, 23:28 PM
- Localisation : toulouse
Re:
RX8 a écrit :Merci d'utiliser le nouveau post à cet effet :
ftopic1609.php
Merci pour cette info. Nous attendons avec impatience ta traduction de la réponse de Mazda.
Ce lien ne fonctionne plus...
(le temps de le remettre en place et je vais aller vérifier la version de mon PCM...
Le Chevalier Noir

Re: Regulateur de vitesse!! enfin (forum allemand)
http://rx8.toile-libre.org/rx8/esicont/ ... 02W01.html
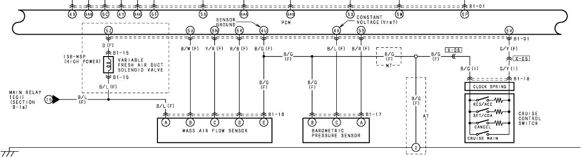
quelqu'un sait ou est la broche 4U ?
- chevaliernoir
- Messages : 501
- Inscription : 24 août 2012, 23:28 PM
- Localisation : toulouse
Re: Regulateur de vitesse!! enfin (forum allemand)
azrael a écrit :http://rx8.toile-libre.org/rx8/esicont/ ... 02W01.html
quelqu'un sait ou est la broche 4U ?
Tu cherches à identifier la pin sur le connecteur?
Elle est là :
Le Chevalier Noir

- chevaliernoir
- Messages : 501
- Inscription : 24 août 2012, 23:28 PM
- Localisation : toulouse
Re: Regulateur de vitesse!! enfin (forum allemand)
La pin 4U est une masse utilisée par les capteurs.
Elle n'est pas reliée directement au chassis de la voiture mais à la masse du calculateur d'injection.
La pin 5V est celle qui recoit l'information des boutons du cruise du volant.
La pin 4P est celle de l'entrée d'information frein nécessaire à la sécurité du Cruise.
Le contacteur de frein est relié à la masse. Lorsque l'on ne freine pas, il relie la pin 4P du calculateur à la masse.
Lorsque l'on freine, il laisse la pin en circuit ouvert.
Le Chevalier Noir

